- ПроизводительТСС
- НаличиеВ наличии
26500 р
- АналогиLifan 190F
- Вес брутто (кг)30
- Вид топливаАИ-92
- Габаритные размеры (Д;Ш;В; мм)450х405х443
- Габаритные размеры упаковки (Д;Ш;В; мм)485х465х520
- Все характеристики
Ближайшая доставка: дата
Самовывоз: дата, бесплатно по адресу Москва, ул. Ивана Сусанина, 2с2
Самовывоз: дата, бесплатно по адресу Москва, ул. Ивана Сусанина, 2с2
Двигатель бензиновый 4-х тактный, одноцилиндровый, с воздушным охлаждением. Вал под шпонку цилиндрический Ø 25мм, подходит для замены Honda GX390 SXQ4, Lifan 188FD, Lifan 190FD, Loncin G420FA, GROST GX 390 (S тип), Zongshen ZS 190 FE (вал Ø25 мм), Champion G420G420HK. Изготовителем данных двигателей является завод Excalibur - крупнейший производитель строительной техники, сварочных генераторов и двигателей для малой механизации, которые поставляются в страны Азии, Европы, Африку и Америку.
Двигатель бензиновый G 420/190F (S-тип, вал под шпонку Ø 25мм) - K0: предназначен для установки на виброплиты, резчики швов, заглаживающие и фрезеровальные машины, мини тракторы, мотоблоки, снегоходы, картинги, квадроциклы, лодочные моторы, мотопомпы и другую технику.
Двигатель бензиновый G 420/190F (S-тип, вал под шпонку Ø 25мм) - является аналогом двигателей:
Двигатель Loncin G420FA (A type, D25) (вал Ø25 мм).
Двигатель Lifan 190F (вал Ø25 мм).
Двигатель Zongshen ZS 190 FE (вал Ø25 мм).
Двигатель GROST GX 390 (S тип).
Двигатель Honda GX390 SXQ4
Двигатель CHAMPION G420HK (Вал 25мм).
Комплектация К0:
Без глушителя.
Без бака топливного.
Без стартера ручного.
Без электростартера.
Характеристики
- АналогиLifan 190F
- Вес брутто (кг)30
- Вид топливаАИ-92
- Габаритные размеры (Д;Ш;В; мм)450х405х443
- Габаритные размеры упаковки (Д;Ш;В; мм)485х465х520
- Гарантия, срок (мес)12
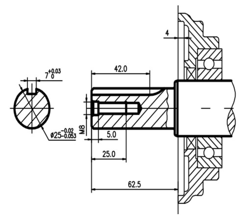
- Диаметр вала, мм25
- Диаметр цилиндра (мм)90
- Ёмкость масляной системы (л)1.1
- Количество цилиндров1
- КомплектацияФильтр воздушный.
- Масса, кг32
- Мощность максимальная, кВт11.7
- Мощность номинальная кВт/л.с.10,5/15
- Мощность номинальная кВт/л.с. (3000 об/мин)10,5/15
- Мощность номинальная кВт/л.с. (3600 об/мин)11,71/16
- Мощность номинальная, кВт10.5
- Пусковое устройство (стартер)Стартер ручной
- Рабочий объём двигателя (л)0,420
- Рабочий объем, см3420
- Расположение цилиндровВертикально
- Рекомендуемый тип маслаSAE 10W-30
- Система охлажденияВоздушная
- Тактность двигателя4
- Тип валаЦилиндрический. D-25 mm, L - 62.5 mm
- Тип воздушного фильтраФильтр воздушный
- Тип масляного фильтраОтсутствует
- Тип топливного фильтраОтсутствует
- Ход поршня (мм)66
Отзывов: 0
Нет отзывов об этом товаре.
Аналогичные товары
