- ПроизводительТСС
- НаличиеВ наличии
59164 р
- АналогиLifan 192F, KD192FE
- Бак, л6.5
- Вес брутто (кг)49
- Вид топливаДт
- Габаритные размеры (Д;Ш;В; мм)510x490x560
- Все характеристики
Ближайшая доставка: дата
Самовывоз: дата, бесплатно по адресу Москва, ул. Ивана Сусанина, 2с2
Самовывоз: дата, бесплатно по адресу Москва, ул. Ивана Сусанина, 2с2
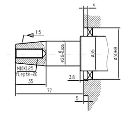
Двигатель дизельный, одноцилиндровый, с воздушным охлаждением. Вал конус (D-26 mm, L-75 mm), подходит для замены Loncin Diesel D460FD, YANMAR L100N, Kipor KM186F, Lifan 192F Diesel, Grost 186FАЕ-G. Изготовителем данных двигателей является завод Excalibur - крупнейший производитель сварочных генераторов, строительной техники и двигателей для малой механизации, которые поставляются в страны Азии, Европы, Африку и Америку.
Двигатель дизельный 192FA (B-тип, вал конус) - T1 предназначен для установки на портативные электростанции и сварочные генераторы.
Двигатель дизельный 192FA (B-тип, вал конус) - T1 является аналогом двигателей с конусным валом:
Двигатель Lifan 192F, конусный вал;
Двигатель дизельный Loncin Diesel D460FD;
Двигатель Lifan 188FD Diesel, конусный вал;
Двигатель дизельный GESHT D188FAE;
Двигатель дизельный YANMAR L100N;
Двигатель дизельный Kipor KM186F;
Двигатель дизельный 186FАЕ-G.
Комплектация - T1:
Без электростартера.
Характеристики
- АналогиLifan 192F, KD192FE
- Бак, л6.5
- Вес брутто (кг)49
- Вид топливаДт
- Габаритные размеры (Д;Ш;В; мм)510x490x560
- Габаритные размеры упаковки (Д;Ш;В; мм)580х500х610
- Гарантия, срок (мес)12
- Диаметр цилиндра (мм)92
- Ёмкость масляной системы (л)1.6
- Количество цилиндров1
- КомплектацияБак топливный, глушитель, стартер ручной, фильтр воздушный.
- Масса, кг50
- Мощность номинальная кВт/л.с. (3000 об/мин)8,61/11,71
- Мощность номинальная кВт/л.с. (3600 об/мин)11,03/15
- Пусковое устройство (стартер)Стартер ручной
- Рабочий объём двигателя (л)0,499
- Рабочий объем, см3499
- Расположение цилиндровВертикальное
- Рекомендуемый тип маслаSAE 10W-30
- Система охлажденияВоздушная
- Тактность двигателя4
- Тип валаB-тип, Конус. D-26 mm, L-75 mm
- Тип воздушного фильтраФильтр воздушный.
- Тип масляного фильтраФильтр масляный
- Ход поршня (мм)75
Отзывов: 0
Нет отзывов об этом товаре.
Аналогичные товары
Вы недавно смотрели
