- ПроизводительTEMPER
- НаличиеВ наличии
- Артикул28620065
- Вес товара (нетто)8.05
- Вес товара с упаковкой (брутто)8.05
- Вид исполненияПрямой
- Вид управленияРычаг
- Все характеристики
Самовывоз: дата, бесплатно по адресу Москва, ул. Ивана Сусанина, 2с2
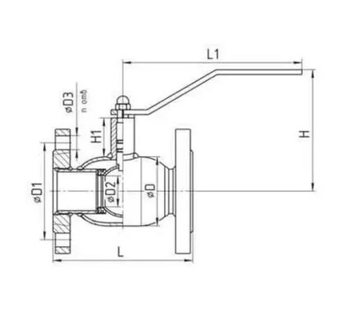
Краны шаровые, цельносварные, стандартнопроходные из углеродистой стали под фланцевое соединение, используются как запорное устройство для трубопроводов водо- и теплоснабжения, также нефте- и газопроводов. Редуцирование потока не допускается. Отличаются надежностью конструкции, большим запасом прочности и повышенной устойчивостью к коррозии.
Преимущества: универсальная конструкция кранов позволяет использовать их на жидких и/или газообразных средах; присоединительные размеры соответствуют российским стандартам; порошковая окраска создает дополнительную антикоррозионную защиту; удлиненная горловина позволяет легко теплоизолировать кран; оцинкованная пружина для более длительного срока эксплуатации.
Продукция хладостойкого климатического исполнения (ХЛ1) производится из бесшовной толстостенной стали. Максимальный класс герметичности во всем диапазоне рабочих температур.
Характеристики
- Артикул28620065
- Вес товара (нетто)8.05
- Вес товара с упаковкой (брутто)8.05
- Вид исполненияПрямой
- Вид управленияРычаг
- Высота товара20
- Высота упаковки товара8.9
- Гарантийный документПаспорт
- Гарантийный срок3 года
- Глубина товара8.9
- Глубина упаковки товара20
- Диаметр (Ду) ″2 1/2
- Диаметр условный65
- Инструкции
- Макс. рабочая температура200
- Макс. рабочее давление16
- Материал корпусаСталь
- Мин. рабочая температура-40
- Назначение и соответствиеДля управления потоком воды или других жидких сред
- НС-кодНС-1691319
- Область примененияОтопление и водоснабжение
- Покрытие корпусаОкрашенное
- Рабочая средаЖидкие неагрессивные среды
- Резьба присоединенияНет
- Срок службы25 лет
- Страна производстваРОССИЯ
- Тип проходаСтандартнопроходной
- Тип резьбыНет
- Тип соединенияФланцевое
- Ширина товара14.4
- Ширина упаковки товара14.4
- ЭксклюзивНет
Нет отзывов об этом товаре.
